爱丫爱丫高清在线观看电视剧,《妻子为丈夫升职》剧情,国产少女免费观看电视剧下载大全

您好,欢迎访问济南胜力液压机械有限公司的网站!

济南胜力液压机械有限公司

上海升降机维修
丰富的升降机设备生产经验
为您提供用心的升降机全套解决方案
分类导航CLASSIFIED NAVIGATION
联系胜力机械 / Contact us
联系胜力机械

济南胜力液压机械有限公司

客户统一咨询热线

0531-84361509

联系电话:150-9890-5372

公司地址:山东省济南市济阳区济阳街道工业园

当前位置:  >  公司新闻

液压升降货梯的工作原理及用途是什么?

文章来源:www.m.35u30.cn   发布时间:2022-03-21 09:13:45   浏览次数:3459

返回:新闻动态

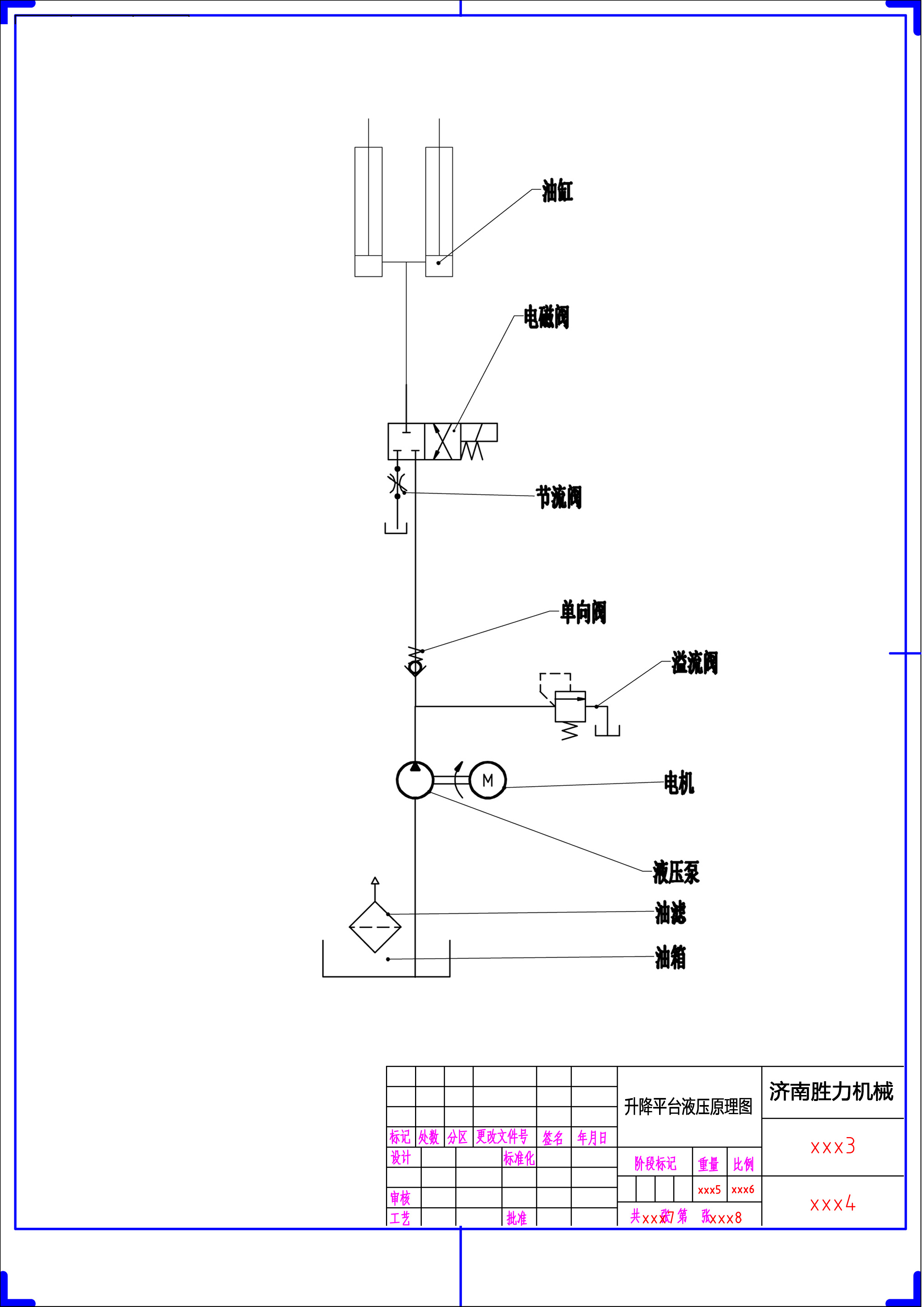
液压升降货梯也可以称作导轨链条式升降平台,是由导轨、工作台面、液压油缸、链条、液压控制系统等组合而成的一种垂直升降的液压提升平台。液压升降货梯的工作原理是通过油缸做动力,通过链条和钢丝绳传动。

 

由于传统电梯的安装环境有很高的标准,比如需要砌专用电梯井、需在底层做1600mm深的地坑、需要在顶层作机井房等要求。因此有很多狭小的空间都没办法安装传统电梯。但是液压升降货梯的安装环境就要简单很多,不需要井道、地坑和机井房,室内和室外均可安装使用。因此液压升降货梯主要用于多层的工业厂房、车间、仓库、超市、门头房等多楼层间上下提升货物。液压升降货梯不仅适合多种环境安装使用,它的承载力也较强,胜力机械生产的液压升降货梯从0.5吨至100吨不同,根据客户的使用定制,液压升降货梯升降平稳,载重量大,安装简单,故障率低,是经济实用的楼层间替代电梯的理想货物提升设备平台。

推荐资讯 / Recommended news
  • 铝合金升降平台的发展对企业的贡献铝合金升降平台的发展对企业的贡献

    在工程机械市场总份额有逐年扩大的趋势,使国内铝合金升降机等有很大的发展空间。相对庞大的市场,必然有更多的企业参与进来,给铝合金升降机企业造成不小的压力。面对科技的进步和市场的挑战,未来铝合金升降机行业的发展趋势呈现出如下特点: 一、智能化...

    TIME:2024-07-10
主站蜘蛛池模板: 济南市| 赞皇县| 普安县| 兴隆县| 三门峡市| 东安县| 文登市| 武夷山市| 汤原县| 锦州市| 普格县| 吴桥县| 嫩江县| 偃师市| 策勒县| 杨浦区| 华宁县| 伊春市| 北安市| 永修县| 闵行区| 榆社县| 广饶县| 南皮县| 昭平县| 福州市| 察哈| 元阳县| 邓州市| 新丰县| 耒阳市| 营口市| 时尚| 雅江县| 封开县| 依安县| 渝北区| 满洲里市| 南充市| 万全县| 遂昌县|